1. Tujuan
- Untuk mempelajari Penyangga Tegangan ( Voltage Buffer)
- Untuk mengaplikasikan Voltage Buffer dalam kehidupan sehari-hari
2. Alat dan Bahan
Generator Sine digunakan untuk menghasilkan sinyal AC, sedangkan Generator DC digunakan untuk menghasilkan sinyal DC.
Rangkaian 15.13
Rangkaian 15.14
Rangkaian 15.19
6. Kumpulan Soal
example :
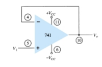
1. Tunjukkan koneksi 741 sebagai rangkaian unity-gain
jawab :
2. Sebuah penguat op-amp non inverting dengan penguatan 10 kali,jika sumber tegangan 15 volt dan Vin= 2 V,maka menghasilkan tegangan output sebesar?
1.Tentukan tegangan keluaran untuk rangkaian Gambar 15.53.
jawab :2. Hitung tegangan keluaran untuk rangkaian Gambar. 15.51 dengan masukan V1 40 mV rms dan V2 20 mV rms.
Problem Pilihan Ganda :
1. Tentukan tegangan output pada rangkaian Gambar dibawah !
a.2,5 V
b. -2,5 V
c. 3,5 V
d.-3,5 V
jawab :
2. Sebuah penguat op-amp non inverting dengan penguatan 15 kali,jika sumber tegangan 15 volt dan Vin= 3 V,maka menghasilkan tegangan output sebesar?
a. 45 V
b. 50 V
c. 65 V
d. 85 V
e. 90 V
Jawaban : A
Vout = A x Vin
= 15 x 3
= 45 V
7. Link Download
Datasheet klik disini
Html klik disini

.png)




Tidak ada komentar:
Posting Komentar